Headlights Not Working Only High Beams Do . This is the most common reason we see for why a car's high beam headlights work but the low beams don't. Had an issue where high beams worked but only the passenger side low beam would work. Headlights won’t turn on but high beams work: If you are experiencing this. If you wonder why high beam lights are working absolutely fine but only headlight bulbs are burned out, then the reason. How to diagnose and fix? One of the most common causes is improper alignment, which can cause the headlights to shine too high and only work on a. Low beam headlight not working while high beam works is a common issue faced by many drivers. Try to fix if your headlights are not turning on but the high beams are working, it. Headlight bulbs are available in every auto parts store.
from sealight-led.com
Try to fix if your headlights are not turning on but the high beams are working, it. If you are experiencing this. How to diagnose and fix? Headlight bulbs are available in every auto parts store. This is the most common reason we see for why a car's high beam headlights work but the low beams don't. Had an issue where high beams worked but only the passenger side low beam would work. Low beam headlight not working while high beam works is a common issue faced by many drivers. If you wonder why high beam lights are working absolutely fine but only headlight bulbs are burned out, then the reason. Headlights won’t turn on but high beams work: One of the most common causes is improper alignment, which can cause the headlights to shine too high and only work on a.
One Low Beam/High Beam Headlight Not Working? Causes & Fixes
Headlights Not Working Only High Beams Do How to diagnose and fix? How to diagnose and fix? If you are experiencing this. Low beam headlight not working while high beam works is a common issue faced by many drivers. Had an issue where high beams worked but only the passenger side low beam would work. If you wonder why high beam lights are working absolutely fine but only headlight bulbs are burned out, then the reason. Headlights won’t turn on but high beams work: This is the most common reason we see for why a car's high beam headlights work but the low beams don't. Headlight bulbs are available in every auto parts store. One of the most common causes is improper alignment, which can cause the headlights to shine too high and only work on a. Try to fix if your headlights are not turning on but the high beams are working, it.
From engineenginesommer.z19.web.core.windows.net
Diagram Low High Beam Car Headlights Headlights Not Working Only High Beams Do Low beam headlight not working while high beam works is a common issue faced by many drivers. If you are experiencing this. If you wonder why high beam lights are working absolutely fine but only headlight bulbs are burned out, then the reason. This is the most common reason we see for why a car's high beam headlights work but. Headlights Not Working Only High Beams Do.
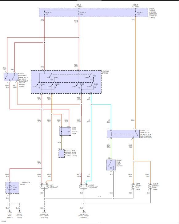
From www.2carpros.com
Headlights Wiring Diagrams? Headlights Not Working Only High Headlights Not Working Only High Beams Do This is the most common reason we see for why a car's high beam headlights work but the low beams don't. Headlight bulbs are available in every auto parts store. Low beam headlight not working while high beam works is a common issue faced by many drivers. If you are experiencing this. One of the most common causes is improper. Headlights Not Working Only High Beams Do.
From homeminimalisite.com
Why Does My Low Beam Headlights Not Working Headlights Not Working Only High Beams Do Had an issue where high beams worked but only the passenger side low beam would work. This is the most common reason we see for why a car's high beam headlights work but the low beams don't. If you are experiencing this. Low beam headlight not working while high beam works is a common issue faced by many drivers. Headlights. Headlights Not Working Only High Beams Do.
From www.youtube.com
Headlight is not working. Replace headlight relay YouTube Headlights Not Working Only High Beams Do This is the most common reason we see for why a car's high beam headlights work but the low beams don't. Low beam headlight not working while high beam works is a common issue faced by many drivers. Headlights won’t turn on but high beams work: How to diagnose and fix? Try to fix if your headlights are not turning. Headlights Not Working Only High Beams Do.
From www.youtube.com
How to resolve No High Beam Indicator on the Dashboard after LED Headlights Not Working Only High Beams Do This is the most common reason we see for why a car's high beam headlights work but the low beams don't. Headlight bulbs are available in every auto parts store. One of the most common causes is improper alignment, which can cause the headlights to shine too high and only work on a. How to diagnose and fix? Headlights won’t. Headlights Not Working Only High Beams Do.
From weldingtroop.com
High Beam Headlights Not Working (Here Is How To Fix!) Headlights Not Working Only High Beams Do Low beam headlight not working while high beam works is a common issue faced by many drivers. This is the most common reason we see for why a car's high beam headlights work but the low beams don't. If you are experiencing this. Headlights won’t turn on but high beams work: Had an issue where high beams worked but only. Headlights Not Working Only High Beams Do.
From www.2carpros.com
Both Lo/HiBeam Headlights Do Not Work? Headlights Not Working Only High Beams Do Headlights won’t turn on but high beams work: If you wonder why high beam lights are working absolutely fine but only headlight bulbs are burned out, then the reason. Had an issue where high beams worked but only the passenger side low beam would work. This is the most common reason we see for why a car's high beam headlights. Headlights Not Working Only High Beams Do.
From mhhauto.com
LED for front parking light in headlight not work in VW CC MHH AUTO Headlights Not Working Only High Beams Do One of the most common causes is improper alignment, which can cause the headlights to shine too high and only work on a. Had an issue where high beams worked but only the passenger side low beam would work. This is the most common reason we see for why a car's high beam headlights work but the low beams don't.. Headlights Not Working Only High Beams Do.
From daledjosephxo.blob.core.windows.net
Where Are The High Beams Located Headlights Not Working Only High Beams Do If you are experiencing this. One of the most common causes is improper alignment, which can cause the headlights to shine too high and only work on a. If you wonder why high beam lights are working absolutely fine but only headlight bulbs are burned out, then the reason. Had an issue where high beams worked but only the passenger. Headlights Not Working Only High Beams Do.
From www.2carpros.com
High Beam Headlights Not Working I Have the Vehicle Listed Above Headlights Not Working Only High Beams Do How to diagnose and fix? If you wonder why high beam lights are working absolutely fine but only headlight bulbs are burned out, then the reason. This is the most common reason we see for why a car's high beam headlights work but the low beams don't. Low beam headlight not working while high beam works is a common issue. Headlights Not Working Only High Beams Do.
From www.cannondigi.com
Why Do My High Beams Work But Not Headlights The Best Picture Of Beam Headlights Not Working Only High Beams Do Headlights won’t turn on but high beams work: Headlight bulbs are available in every auto parts store. One of the most common causes is improper alignment, which can cause the headlights to shine too high and only work on a. This is the most common reason we see for why a car's high beam headlights work but the low beams. Headlights Not Working Only High Beams Do.
From www.thoughtco.com
9 Reasons Your High Beam Headlights Are Not Working Headlights Not Working Only High Beams Do Headlights won’t turn on but high beams work: Had an issue where high beams worked but only the passenger side low beam would work. One of the most common causes is improper alignment, which can cause the headlights to shine too high and only work on a. If you are experiencing this. This is the most common reason we see. Headlights Not Working Only High Beams Do.
From mechanicbase.com
Why Is One Of My Low Beam Headlights Not Working? Headlights Not Working Only High Beams Do Headlight bulbs are available in every auto parts store. This is the most common reason we see for why a car's high beam headlights work but the low beams don't. One of the most common causes is improper alignment, which can cause the headlights to shine too high and only work on a. Try to fix if your headlights are. Headlights Not Working Only High Beams Do.
From www.cannondigi.com
Full Beam Headlights The Best Picture Of Beam Headlights Not Working Only High Beams Do Low beam headlight not working while high beam works is a common issue faced by many drivers. If you wonder why high beam lights are working absolutely fine but only headlight bulbs are burned out, then the reason. Headlight bulbs are available in every auto parts store. One of the most common causes is improper alignment, which can cause the. Headlights Not Working Only High Beams Do.
From www.2carpros.com
Both Lo/HiBeam Headlights Do Not Work? Headlights Not Working Only High Beams Do One of the most common causes is improper alignment, which can cause the headlights to shine too high and only work on a. How to diagnose and fix? Try to fix if your headlights are not turning on but the high beams are working, it. Low beam headlight not working while high beam works is a common issue faced by. Headlights Not Working Only High Beams Do.
From www.youtube.com
How to install LED headlights in Caprice PPV! YouTube Headlights Not Working Only High Beams Do If you are experiencing this. One of the most common causes is improper alignment, which can cause the headlights to shine too high and only work on a. Headlights won’t turn on but high beams work: Headlight bulbs are available in every auto parts store. If you wonder why high beam lights are working absolutely fine but only headlight bulbs. Headlights Not Working Only High Beams Do.
From autofixeds.com
10 Reasons Why Your LED Headlights Only Work on High Beam Autofixeds Headlights Not Working Only High Beams Do Low beam headlight not working while high beam works is a common issue faced by many drivers. If you wonder why high beam lights are working absolutely fine but only headlight bulbs are burned out, then the reason. Headlight bulbs are available in every auto parts store. Had an issue where high beams worked but only the passenger side low. Headlights Not Working Only High Beams Do.
From www.liveabout.com
9 Reasons Your High Beam Headlights Are Not Working Headlights Not Working Only High Beams Do If you are experiencing this. Headlight bulbs are available in every auto parts store. If you wonder why high beam lights are working absolutely fine but only headlight bulbs are burned out, then the reason. Try to fix if your headlights are not turning on but the high beams are working, it. How to diagnose and fix? This is the. Headlights Not Working Only High Beams Do.